发布日期
2018-12-22
浏览:
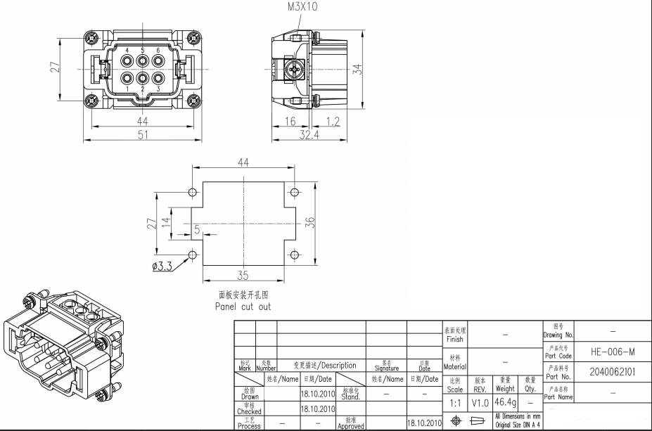
| 插芯 | |
| 接插件针数 | 6+PE |
| 额定电流 | 16A |
| 额定电压 | 500V |
| 污染程度 | 3 |
| 额定脉冲电压 | 6KV |
| 绝缘电阻 | ≥1010Ω |
| 材料 | 聚碳酸酯 |
| 工作温度范围 | -40℃...+125℃ |
| 阻燃等级(UL94) | V0 |
| 据UL/CSA额定电压 | 600V |
| 可拔插次数 | ≥500 |
| 插针 | |
| 材料 | 铜合金 |
| 表面处理 | 镀银 |
| 镀金 | |
| 接触电阻 | ≤1mΩ |
| 接线形式 | 螺钉连接 |
| 导线规格 | 0.75-2.5mm2 AWG 18-14 |
| 拧紧力矩 | 0.5N·m |
剥线长度 | 7.0mm |
