发布日期
2018-12-22
浏览:
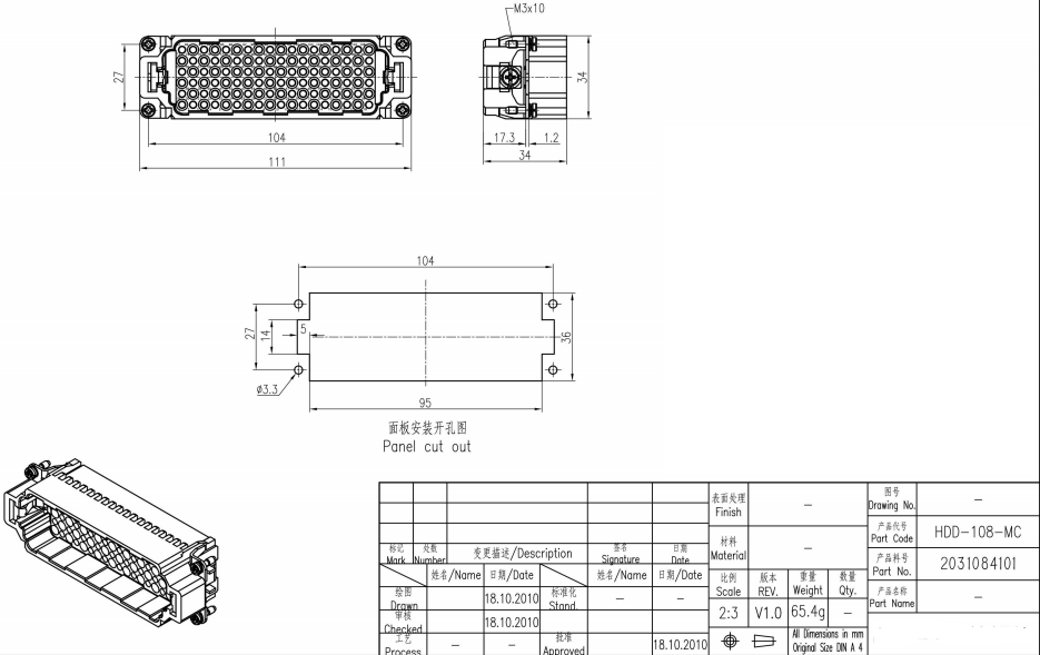
| 插芯 | |
| 接插件针数 | 108+PE |
| -额定电流 | 10A |
| -额定电压 | 250V |
| -额定脉冲电压 | 4KV |
| -污染程度 | 3 |
| -当污染程度2时的参数 | 10A 230/400V 4KV 2 |
| -依据UL/CSA额定电压 | 600V |
| 绝缘电阻 | ≥1010Ω |
| 材料 | 聚碳酸酯 |
| 工作温度范围 | -40℃...+125℃ |
| 阻燃等级 | V0 |
| 可拔插次数 | ≥500 |
| 插针 | |
| 材料 | 铜合金 |
| 表面处理 | 镀银 镀金 |
| 接触电阻 | ≤3mΩ |
| 冷压连接 | |
| -导线规格 | 0.14-2.5mm2 |
| -AWG | 26-14 |
