首页
资料下载
应用领域
产品中心
常见问题
新闻资讯
关于哈亭
联系我们
英文版
当前位置:
首页
>
产品中心
>
HA系列
>
HA-004
HA系列
HE系列
HEE系列
HD系列
HDD系列
HK系列
HSB系列
HQ系列
其它系列
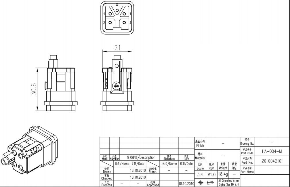
产品描述
产品详情
插芯
接插件针数
4+PE
额定电流
10A
额定电压
230/400V
污染程度
3
额定脉冲电压
4KV
绝缘电阻
≥10
10
Ω
材料
聚碳酸酯
工作温度范围
-40℃...+125℃
阻燃等级(UL94)
V0
据UL/CSA工作电压
600V
可拔插次数
≥500
插针
材料
铜合金
表面处理
镀银
镀金
接触电阻
≤1mΩ
接线形式
螺钉连接
导线规格
0.75-1.5mm
2
AWG 18-16
拧紧力矩
0.25N·m
首页
电话联系
应用领域
产品中心