English | 收藏本站 | 在线留言 欢迎进入上海哈亭电气有限公司

全国技术服务热线 0577-62989877

全国销售服务热线 0577-62989877

CEFS-0.37 CEMS-0.37 CDFS-0.37

当前位置:首页 > 产品中心 > HE系列 > HE-016(1-16)

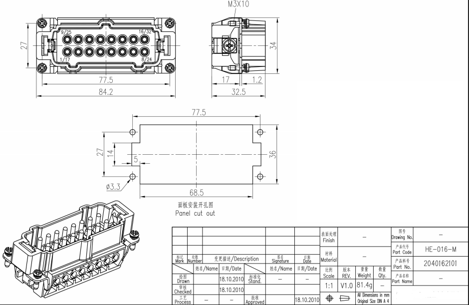
HE-016-M(1-16)

返回列表 发布日期 2018-12-24 浏览:

HE-016-M(1-16)

产品详情
插芯
接插件针数16+PE
额定电流16A
额定电压500V
污染程度3
额定脉冲电压6KV
绝缘电阻≥1010Ω
材料聚碳酸酯
工作温度范围-40℃...+125℃
阻燃等级(UL94)V0
据UL/CSA额定电压600V
可拔插次数≥500
插针
材料铜合金
表面处理镀银
镀金
接触电阻≤1mΩ
接线形式螺钉连接
导线规格0.75-2.5mm2 AWG 18-14
拧紧力矩0.5N·m

剥线长度

7.0mm

推荐阅读

最新资讯

1 电路图符号大全

2 重载连接器 针怎么取

3 HZW-H24B外壳举例

全国服务热线 0577-62989877