首页
资料下载
应用领域
产品中心
常见问题
新闻资讯
关于哈亭
联系我们
英文版
当前位置:
首页
>
产品中心
>
HSB系列
>
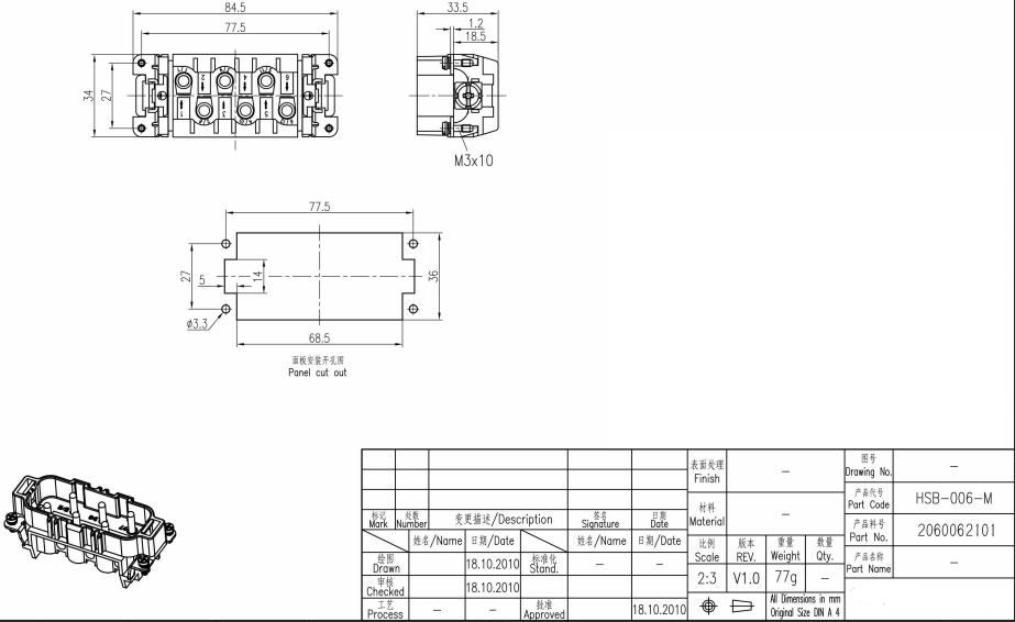
HSB-006(1-6)
HA系列
HE系列
HEE系列
HD系列
HDD系列
HK系列
HSB系列
HQ系列
其它系列
产品描述
产品详情
插芯
接插件针数
6+PE
-额定电流
35A
-相对地额定电压
400V
-相间额定电压
690V
-额定脉冲电压
6KV
-污染程度
3
-或
35A 500V 6KV 3
依据UL/CSA额定电压
600V
绝缘电阻
≥10
10
Ω
材料
聚碳酸酯
工作温度范围
-40℃...+125℃
阻燃等级
V0
可拔插次数
≥500
插针
材料
铜合金
表面处理
镀银
接触电阻
≤1mΩ
螺钉连接
-导线规格
1.5-6mm
2
-AWG
10
-拧紧力矩
1.2Nm
首页
电话联系
应用领域
产品中心