首页
资料下载
应用领域
产品中心
常见问题
新闻资讯
关于哈亭
联系我们
英文版
当前位置:
首页
>
产品中心
>
HQ系列
>
HQ-007
HA系列
HE系列
HEE系列
HD系列
HDD系列
HK系列
HSB系列
HQ系列
其它系列
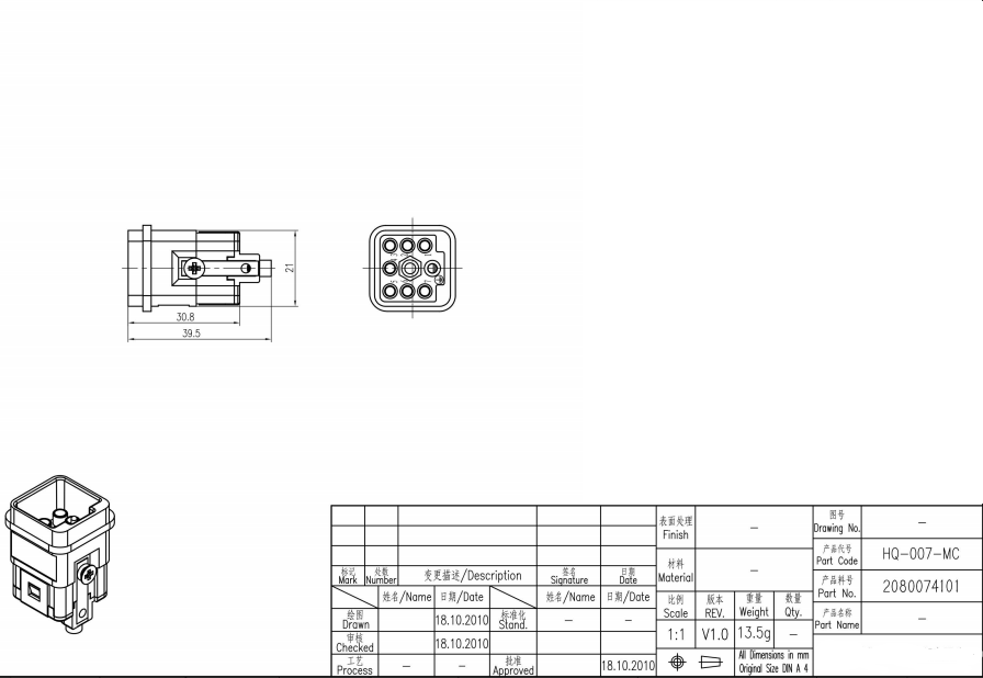
产品描述
产品详情
插芯
接插件针数
7+PE
依据DIN EN 61984的电气数据
-额定电流
10A
-额定电压
400V
-额定脉冲电压
6KV
-污染程度
3
依据UL/CSA的额定电压
600V
绝缘电阻
≥
10
10
Ω
材料
聚碳酸酯
工作温度范围
-40℃...+125℃
阻燃等级(UL94)
V0
可拔插次数
≥500
插针
材料
铜合金
表面处理
镀银 镀金
接触电阻
≤3mΩ
冷压连接
---mm
2
0.14-2.5mm
2
---AWG
26-14
PE螺钉连接
---mm
2
2.5mm
2
---AWG
14
首页
电话联系
应用领域
产品中心