产品描述

产品详情
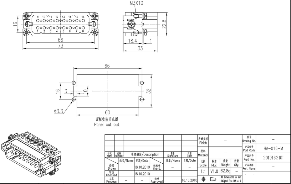
插芯
接插件针数16+PE
额定电流16A
额定电压250V
污染程度3
额定脉冲电压4KV
绝缘电阻≥1010Ω
材料聚碳酸酯
工作温度范围-40℃...+125℃
阻燃等级(UL94)V0
据UL/CSA工作电压600V
可拔插次数≥500
插针
材料铜合金
表面处理镀银
镀金
接触电阻≤1mΩ
接线形式螺钉连接
导线规格0.75-2.5mm2 AWG 18-14
拧紧力矩0.5N·m